Home
Me
Academics
Rockets
Computer Science
Hobbies
Research
previous jobs
Contact / Follow me
Welcome to my online resume
The different pages will walk you through my experiences
Rockets
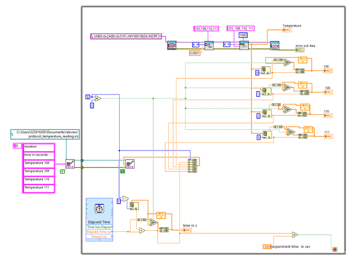
Labview - Material Science Lab Assistant
mySQL/ mongoDB - Creating UML and storing system that fits the needs
E commerce manager
Grading Assistant
GeoGuessr / Gaming